E60/D48 161 - Crossover - D48 - Handrail tubes & tube clamps - Handrail Systems
E60/D48 161 - Crossover
Delivery Information
Order online for delivery to Mainland UK VAT eligible locations only. Delivery charges will be shown in the shopping cart. Despatch dates for products can vary, if urgent, please contact us. Request a quote for postcodes DD, IV, KW, PA, AB, BT, HS, TR. PO30-PO42, southern Ireland, Channel Islands. For international destinations restrictions may apply.
Returns Policy
Simply email us at sales@dale-lifting.co.uk or call 0161 223 1990 and we will be able to give you a returns authorisation code, which must be sent with the returned item. Returns should be authorised within 14 days from the day of delivery to you. Items should be returned in unused condition & due to the nature of our products a restocking fee may apply. Unfortunately, delivery charges are not refundable. Items returned without an authorisation code may not be accepted. Normally All refunds will be processed within 7- 10 working days on receipt of returned goods.
Non-standard (Quote only, pre-order or custom-made products)
Custom made to order products are not covered by our returns policy. Please ensure when ordering all measurements and capacities are correct as we are unable to refund on these products.
For more information see https://www.dlhonline.co.uk/terms-conditions
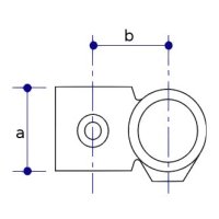
Designed to form a 90° crossover joint between two tubes of diferent sizes, this fitting can reduce the need for cutting on horizontal rails.
Size | a mm | b mm | c mm | d mm | e mm | Hole Dia mm | Weight Approx Kg |
B34/A27 | 31.5 | 40 | 0.36 | ||||
C42/B34 | 38.5 | 45 | 0.31 | ||||
D48/B34 | 46 | 61 | 0.47 | ||||
D48/C42 | 51 | 61 | 0.59 | ||||
E60/D48 | 61 | 65 | 0.88 |
